第二节项目确认阶段

一、项目确认阶段输入资料

​ 1.顾客的呼声

​ 顾客主要包括使用者、代理商、经销、下游组装工厂等,在立项时一定要了解清楚客户的要求是什么。如果没有设计责任,则可以直接把客户的样品需求单当作客户呼声,因为上面有明确的功能性能要求、法律法规要求、交样要求。如果有设计责任,就必须进行市场调查,搜集相似产品成功的经验和失败的教训,以及兄弟厂商常见的异常等。如空调风扇项目加水困难、噪音大的问题等,就要纳入APQP的输入。

​ 2.业务计划/营销策略

​ 业务计划/营销策略指本公司的经营规划,简单来讲就是公司是否有这样的计划想进入某个行业或某个领域。就拿做线路板的公司来说,有些公司侧重在打印机和音箱线路板制造,对动车、汽车关键部件的线路板没有规划,如果接到汽车零件订单,公司就可能不立项。

​ 3.产品/过程标杆资料

产品标杆资料如:寿命、手机WIFI接受最远距离。过程标杆资料如:日交货量、直通率、PPM、设备、自动化程度等,这些数据可能要通过网络或其他渠道获取。

​ 4.产品/过程设想

​ 产品设想是指产品的外观、结构、功能性能大概的想法,还没有形成正式的设计稿,比如说设计一个西瓜形状的无骨风扇,过程设想是指工艺流程和设备,以及工装的初步想法,例如以前做汽车齿轮都是用车床、滚轮做出来的,现在我们设想可以通过改进工艺,直接用模具一次性完成,这样可节省工时、提高齿轮性能。

​ 5.产品可靠性研究

可靠性指耐磨、寿命、抗极端条件的能力。如五金喷涂件72小时盐雾测试不氧化、LED灯寿命7万小时等。要达到可靠性目标,就要有相应的材料设计来满足要求,同时还不影响其他结构、外观、成本。

二、立项阶段输出

1.设计目标

一般指外观、功能、性能、结构、环境要求。如LED产品设计,就要关注输入电压、光通量、功率等要求,这些都可纳入设计目标。设计目标的输入是产品和过程设想、顾客呼声。参见图1-2-1:

2.可靠性和质量目标

可靠性指故障率,寿命之类。如LED灯的寿命7万小时就是可靠性目标。质量目标则是指直通率、PPM、CPK之类,良率低、成本高,公司利润就低。如表1-2-1所示:

表1-2-1 新产品开发任务书

3.初始材料清单

根据设计目标和可靠性目标、质量目标,就要策划初始用哪些材料,有些直接在市场上选用不同标准件即可,如电容、电阻等;有些要供应商配合打样,如塑胶结构件等,但要先把初始材料定出来,方便采购部安排供应商立即送样。参见表1-2-2。

表1-2-2 初始材料清单及价格表

        

4.初始过程流程图

根据过程设想、质量目标、设计目标,制定初始的工艺流程图设想,这个设想一旦成型,工程部门就要准备制样的工装与设备。对初始流程图不做特别要求。参见表1-2-3。

表1-2-3 初始工艺流程图

5.产品/过程特殊特性初始清单

特殊特性主要包括产品和过程两种。产品特殊特性一般指原材料、半成品、成品本身表现出的特殊,如拉力、尺寸等。过程特殊特性一般从设备、工装、环境等方面表现出来,如成型参数、仓储温湿度等。特殊特性一般要用客户指定符号标示,如无客户指定符号,公司APQP程序中要明确特殊特性的符号,很多企业用“▲”表示。特殊特性如果由自己公司识别,APQP小组成员则要参与评审,并签字同意。如表1-2-4所示:

表1-2-4 初始特殊特性清单

6.产品保证计划

产品保证计划一般由研发工程部主导制作,APQP成员要参与评审,主要作用是识别从原材料到成品出货的每个阶段存在的主要风险以及初步管控设想,同时这也是FMEA和控制计划的基础。

表1-2-5 产 品 保 证 计 划

7.管理者支持或认可

这就要求在阶段性任务完成之后,进行阶段性会议评审,相应内容包括每一阶段的工作完成进度是否存在遗留问题、是否可进入下个阶段等,要求阶段性评审公司副总级别以上的人要参加会议,会议结束后按会议决议进行改善。倘若不能进入下阶段,本阶段的问题点就要先改善,再评估是否可以进入下一阶段

表1-2-6 第一阶段小结(项目阶段评审报告)

8.组建多功能小组

第一阶段项目总结评审前,项目经理要组建APQP多功能小组,小组成员主要由PMC、业务、品质、研发、工程、采购等部门成员组成。多功能小组要定期召开项目进度会议,就接口问题加强沟通,并签署保密协议。如表1-2-7。

项目小组职责与权限

为了使 TCC-001A前横梁 项目产品质量先期策划工作能有组织、有计划地开展,各责任者能够正确、有效、及时地行使自己的权利和履行自己的职责,根据目前我厂各管理人员的部门归属与工作能力,在APQ P(新产品先期策划)活动中对其职责与权限予以明确规定

一、APQP(新产品先期策划)小组成员名单

组长:XX

组员:陈方稳 曾国友 赵光辉 高小坤 肖文军 汪丽丽

2APQP小组成员的职责与权限

表1-2-7 AQPQ小组成员的职责与权限

三、某汽车配件公司一阶段案例讲解

该汽车配件公司主要生产汽车内部塑胶外观件,如面板、汽车音箱旋扭等。生产工序主要是胶料成型和电镀、包装、出货。没有产品设计开发环节,只负责按客户要求交货,PPAP承认后再量产。

图1-2-1 APQP一阶段工作流程图

表1-2-8 样品需求单

表1-2-9 产品可行性评估报告

根据总经理室决定于 13 年 03 月 05 日起启动(荣威350 TP9159旋钮外罩)项目

任命 谭XX 为该项目的项目组长,项目组员:关雪华、李光荣、钟新文、杨涛、高保峰、廖晓阳、

希望各部门能通力协作,支持项目负责组长的工作,共同完成新产品的开发工作!

表1-2-10 项目小组成员职能分配表


表1-2-11 保密协议

表1-2-12 项目进度计划表


项目进度计划的重点是要识别客户的大日程,客户的样品与检验、试验、试产PPAP、小批量日期,本公司的开发大日程注意要和客户配套。同时要分成几个小项目来制定开发日程,如工程资料、模具治具、试产、人员准备、原材料与承认等。

四、一阶段易犯的典型错误

1.没有进行项目前期评审,没有进行客户和法律法规要求充分识别,或者识别出的风险没有制定效的管理措施,只是写个合格而已。

表1-2-13 产品可行性评估报告

2客户和法律法规要求识别不充分

如安规要求、环保要求没有充分识别。

表1-2-14 产 品 保 证 计 划

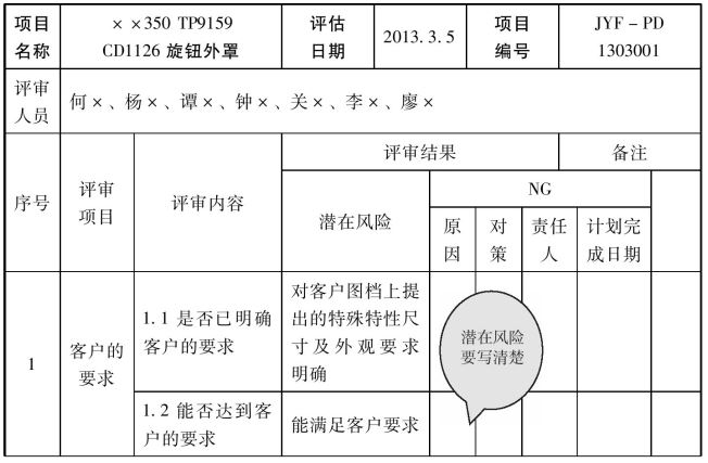
3没有充分识别客户的特殊特性要求

特殊特性在第一阶段要识别,在第三阶段时就要确定下来,制定特殊特性清单文件,同时也要明确用什么符号标示。特殊特性必须用符号在控制计划、FMEA、SOP、SIP、工程图上进行标示,并采取适当可行的控制方法,如控制图。参见表1-2-15。

表1-2-15 初始特殊特性清单